| NihilScio |
NS - ©2009-2012 |
| Nihil Scio, Sed Unum Scio, Nihil Scire |
Educational search engine |
Applicazioni elettriche navali
Premessa
Le applicazioni elettriche navali sono tornate di attualità negli ultimi tempi in quanto molte tipologie di navi costruite recentemente o attualmente in fase di costruzione adottano la propulsione elettrica, che le definisce sul mercato internazionale con il termine AES (All Electric Ships).
In navi di questo tipo l’impiego integrale delle tecnologie elettriche dell’impiantistica di bordo assicura importanti vantaggi, quali incremento del comfort a bordo per la riduzione di vibrazioni e rumore, maggiore spazio a disposizione, superiori prestazioni dinamiche della nave, riduzione di consumi ed emissioni, integrazione tecnologica e di automazione, manutenzione meno onerosa.
Il campo di applicazione della propulsione elettrica navale è sicuramente quello delle navi di grande taglia, con particolare riguardo alle navi da crociera che negli ultimi anni hanno assunto dimensioni e tonnellaggi impensabilmente elevati. Le positive esperienze in termini di prestazioni, sicurezza e comfort stanno favorendo un rapido processo di trasferimento di tali soluzioni innovative ad altri comparti della navigazione commerciale e militare, incentrando nel sistema elettrico di bordo obiettivi integranti di natura tecnico- prestazionale e di sicurezza nonché di ordine economico- ambientale.
L’impiego delle tecnologie elettriche non è nuovo nella catena di propulsione delle navi essendo noti fin dall’inizio del secolo scorso i vantaggi in termini di efficienza e manutenzione di soluzioni elettriche alternative al tradizionale riduttore meccanico per ricondurre la velocità di rotazione dei motori diesel o a turbina al più basso numero di giri delle eliche.
Oggi appare completamente nuovo il concetto di sistema elettrico di potenza integrato,in cui la potenza elettrica di bordo viene fornita da una centrale di generazione che alimenta i diversi carichi di bordo, propulsori compresi,attraverso un unico schema di distribuzione. Questa è una soluzione di sistema diversa da quella tradizionale che presenta i blocchi dei motori e della trasmissione separati dai servizi ausiliari per l’illuminazione e impianti elevatori e dal servizio elettrico per cucine ed accoglienza alberghiera. La configurazione integrata si riferisce ad una concezione di sistema elettrico rispondente al sistema elettrico di potenza terrestre funzionante in isola e consente rispetto alla configurazione tradizionale prima di ogni altra cosa una maggiore efficienza strutturale complessiva dovuta alla possibilità di regolare il regime dei generatori all’andamento dei carichi elettrici, mentre l’affidabilità è maggiore potendosi riconfigurare lo schema di alimentazione-distribuzione in funzione delle eventuali contingente che dovessero interferire con il regolare funzionamento del sistema. .
Le moderne navi all-electric in servizio o in costruzione forniscono già elevati standard di qualità e sicurezza che comunque vanno sempre migliorando nelle nuove unità in fase di progetto attraverso l’ulteriore implementazione di tecniche avanzate e di tecnologie innovative. La ricerca nel settore specialistico delle applicazioni elettriche navali si sta rilanciando infatti su un’area di temi assolutamente diverse, a cominciare dalle tecnologie più avanzate e dalle metodologie di studio sui nuovi strumenti modellistici ed operativi di analisi, controllo e gestione dello stato, nonché di programmazione e gestione dell’esercizio in sicurezza del sistema.
Generalità sui fabbisogni di energia elettrica e sui sistemi impiegati per la produzione.
Ogni nave è dotata di impianto autonomi in grado di produrre l’energia elettrica richiesta durante la navigazione e in manovra.
La potenza installata a bordo varia sensibilmente in base al tipo di nave alle particolari esigenze del servizio svolto e a seconda della sua posizione cioè se è in navigazione o in porto. La produzione dell’e.e. fino agli anni 70, quando gli impianti di propulsione erano costituiti o da turbine a vapore o da motori diesel a due o a quattro tempi, veniva effettuata dai turboalternatori di adeguata potenza alimentati da vapore delle stesse caratteristiche termodinamiche del vapore che alimentava la turbina principale di propulsione. I turboalternatori dovevano essere affiancati da uno o più diesel alternatori detti comunemente gen-sets che provvedevano a soddisfare le esigenze di energia elettrica quando era limitata la disponibilità di vapore, e cioè quando la nave è in porto a motore di propulsione fermo

Dopo gli anni ’70 la propulsione navale ebbe un crollo a vantaggio dei motori diesel e agli inizi degli anni ’80, per la riduzione dei costi di esercizio della nave si passò agli impianti detti unifuel. Sulle navi propulse da motori a due tempi, fu introdotto il concetto di generatore-asse azionando direttamente il generatore per mezzo del motore di propulsione. Tra le possibili soluzioni si prevede che l’alternatore ruoti alla stessa velocità dell’elica quando io generatore è inserito lungo la linea d’assi o all’estremità del motore opposta a quella che aziona l’albero portaelica. Per una disposizione diversa si prevede un moltiplicatore di giri per far ruotare il generatore asse ad una velocità di rotazione superiore a quella dell’elica
|
|
|
1 motore principale di propulsione
2 generatore – asse
3 gen-sets |
Schema di impianto per la produzione di e.e. a bordo mediante generatore asse a numero di giri costante
Generatore asse e Con–Speed (Constant-speed)
Una interessante osservazione a proposito del generatore asse è che la sua velocità di rotazione n varia ovviamente con quella dell’elica che varia, a sua volta, specie nel caso di elica a passo fisso, a seconda della velocità della nave; pertanto in base alla relazione f=pn/60, l’energia elettrica prodotta sarebbe caratterizzata da una inaccettabile variabilità della frequenza. E’ indispensabile disporre dopo l’alternatore un convertitore statico di frequenza costituita da un raddrizzatore4 e da un invertitore in grado di assicurare in uscita una frequenza costante a 50 o a 60 Hz.
Se invece l’elica è a passo variabile, è possibile variare la velocità della nave lasciando inalterata la velocità di rotazione del propulsore, e quindi del generatore asse ma alterando il passo dell’elica attraverso un’opportuna rotazione delle pale di questa sul mozzo. In tal caso non si hanno variazioni nella frequenza dell’energia elettrica prodotta ma ,alle più basse velocità della nave, l’elica opera con un rendimento modesto che fa aumentare il consumo specifico di combustibile. Per ovviare a tale inconveniente è possibile far variare la velocità di rotazione anche dell’elica a passo variabile purchè si utilizzi uno speciale dispositivo di trasmissione, ad esempio quello meccanico ed elettroidraulico detto Con- Speed proposto dalla Sulzer che, inserito tra l’albero azionato da un moltiplicatore di giri e l’alternatore, mantiene il numero di giri di quest’ultimo costante ed indipendente da quello del motore
|
Sistemazione del generatore asse sulla motonave Repubblica di Venezia |
|
|
1
motore di propulsione
2giunto
3
1° ruota del moltiplicatore
4 torsiometro 5 attuatore idraulico 6 η-booster 7 riduttore epicicloidale 8 giunto elastico 9 frizione idraulica 10 Con- Speed 11 gen –asse 12 valvola bypass |
|
Schema di alternatore asse azionato su asse parallelo tramite con-speed
1 motore diesel 2 giunto elastico 3 moltiplicatore di giri 4 frizione idraulica 5 con-speed 6 alternatore asse |
Attualmente il problema della costanza del numero di giri dell’alternatore – asse è stato risolto eliminandolo: si monta l’alternatore asse coassiale rispetto al motore di propulsione,con un inverter a tiristori si raddrizza la corrente alternata prodotta e si ricostruisce una sinusoide di ampiezza e frequenza voluta.
Cenni sulla propulsione elettrica
La propulsione elettrica consiste nell’utilizzare il motore principale della nave per azionare un generatore elettrico la cui corrente alimenta un motore elettrico che aziona il propulsore navale . I primi impianti furono realizzati utilizzando la corrente continua,che oggi persiste solo per impianti particolari per la elasticità di regolazione di questi motori. La propulsione in corrente alternata prese il sopravvento per i vantaggi dell’alternatore sulla dinamo e con i progressi dell’elettronica si è passati dall’uso motore asincrono al motore sincrono oltre la potenza di 10 MW. Le moderne navi da crociera sono a propulsione elettrica con due assi azionati da motori sincroni ad alta tensione ed eliche a pale orientabili o fisse a seconda del tipo di convertitore statico adottato oppure con propulsori di tipo azimutale.
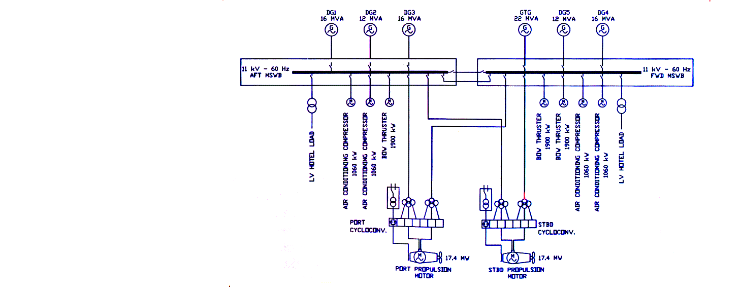
Schema semplificato di una centrale per la propulsione elettrica per nave da crociera

Lo schema mostra due motori diesel che azionano un alternatore ciascuno dando tensione alla sbarra a 6 kV a cui sono allacciate le seguenti utenze:
Motore di propulsione alimentato alla tensione di 3 kV
Gruppi di condizionamento
Eliche di manovra
Alimentazione dei carichi essenziali (macchina del timone,pompe servizi generali, pompe dei circuiti di raffreddamento del motore….) circuiti luce
Stato e ricerca nelle applicazioni navali
Per dare conto dell’evoluzione tecnologica che ha accompagnato le moderne applicazioni elettriche di bordo ed in particolare i sistemi di propulsione navale è utile considerare l’esperienza degli ultimi 15 anni nella costruzione delle navi da crociera
Da allora numerose soluzioni sono state progettate ed installate con successo in un susseguirsi di progetti sempre più grandi ed innovativi e di primati tecnologicamente raggiunti e superati basti pensare al Queen Mary con i suoi 86 MW di propulsione elettrica su quattro eliche e 112 MVA di alternatori che detiene il primato quanto a potenze installate degli azionamenti elettrici di propulsione e della centrale.
Nel campo delle grandi navi da crociera la propulsione elettrica è divenuta uno standard che copre il 100% delle realizzazioni costruite presso i maggiori cantieri del mondo. La propulsione è stata adottata in casi o particolari anche su navi traghetto, navi oceanografiche, posacavi/tubi, navi e piattaforme dedicate al settore oil&gas, navi rompighiaccio. Un discorso a parte merita l’ambito militare nel quale l’attenzione a questo tipo di propulsione è decisamente alta e riguarda diverse tipologie di naviglio e ciò è testimoniato dal numero nettamente crescente di progetti e realizzazioni in corso presso tutte le marine militari più tecnologicamente avanzate.
Perché la propulsione elettrica?
La propulsione elettrica prevede l’impiego per ogni elica di un azionamento formato da un motore elettrico in sostituzione del tradizionale motore diesel e di un convertitore statico atto ad alimentarlo ed a regolarne la velocità. La potenza richiesta dalla propulsione elettrica comporta una radicale rivisitazione dell’impianto elettrico di bordo, il quale deve assicurare le necessarie capacità di generazione,regolazione,e distribuzione dell’e.e. a tutti gli utilizzatori. Si perviene pertanto all’architettura di tipo “tutto elettrico” AES fondata sul cosiddetto sistema elettrico integrato (IPS Integrated Power System)
L’IPS racchiude la centrale elettrica di bordo, basata sull’insieme di generatori connessi ad una sbarra principale: da essa vengono alimentati,direttamente oppure tramite trasformatori o convertitori elettronici, tutti i carichi di bordo.
I vantaggi offerti dal sistema AES sono notevoli basti pensare alle superiori dinamiche dei motori elettrici rispetto ai diesel; la possibilità (avendo eliminato il vincolo della linea d’asse) di allocare pesi ed ingombri in modo più razionale (offrendo un’elevata flessibilità in termini di compartimentazione degli spazi e quindi di continuità del servizio in caso di guasti) la riduzione dei fumi e dei consumi di combustibile dovute alla possibilità di modulare il numero di motori primi (termici) in servizio al fine di esercirli nell’intorno del punto di minimo consumo specifico; la conseguente riduzione di manutenzione ed il prolungamento della vita operativa del macchinario; maggior comfort dovuta alle assenze di vibrazioni; l’ultilizzo di POD rotanti fuoribordo per alloggiare i motori elettrici (con il conseguente recupero di spazi a bordo della nave); l’eliminazione del timone dei relativi attuatori e una manovrabilità di gran lunga superiore rispetto ai timoni tradizionali;l’elevato grado di automazione degli apparati elettrici di centrale e di regolazione del moto dell’elica con conseguente riduzione del personale addetto
Peculiarità dei sistemi elettrici di bordo
Gli impianti elettrici navali sono soggetti a specifiche progettuali proprie e distinte sotto certi aspetti da quelle degli impianti terrestri. Una delle differenze principali riguarda la distinzione fra carichi essenziali e non essenziali.
I primi sono quelli la cui alimentazione e il cui corretto funzionamento vanno garantiti anche in condizioni di emergenza in quanto svolgono funzioni indispensabili per la sicurezza dell’imbarcazione. Fra essi troviamo,per prima il sistema di propulsione, i sistemi di controllo dei motori e di comando dei timoni e delle pinne stabilizzatrici, i sistemi antincendio, gli allarmi,i sistemi di comunicazione e di aiuto alla navigazione, le luci di emergenza. Sono da considerare essenziali anche quei carichi che garantiscono l’abitabilità della nave, quali il sistema di condizionamento.
E’ importante notare che, in una AES, la rete elettrica di bordo costituisce un sistema elettrico in isola e “debole” essendo la taglia del generatore confrontabile con la totale potenza installata e la potenza nominale di alcuni carichi confrontabile con quella dei generatori.A bordo non esiste nessuna sbarra prevalente come avviene nei sistemi terrestri e per certi aspetti anche negli impianti convenzionali.
Produzione e regolazione
Nel campo della produzione e regolazione dell’e.e. a bordo di una AES con riferimento alla navi da crociera on generazione a corrente alternata in MT (che costituiscono l’assoluta maggioranza delle realizzazioni, con potenze installate che raggiungono diverse decine di MVA) il cuore dell’IPS è costituito dalla centrale elettrica di bordo. Gli alternatori sono mossi da normali diesel per gruppi elettrogeni e talvolta anche da turbine a gas o da un mix dei due tipi:la velocità dei motori primi viene controllata dai regolatori di giri,mentre la tensione degli alternatori,direttamente connessi alla sbarra principale in MT (a 6.6kV o a 11kV) viene regolata dai rispettivi AVR (Automatic Voltage Regulator). In talune realizzazioni è presente il cosiddetto Master AVR.
Stante la debolezza intrinseca della rete, si capisce l’importanza della scelta dei sistemi di regolazione delle grandezze elettromeccaniche (frequenza e tensione) ai fini della qualità dell’energia nei sistemi elettrici di bordo. La loro azione è fondamentale durante i transitori provocati dalle variazioni del carico di propulsione,dall’inserimento di carichi reattivi e dall’inserzione o distacco di carichi e generatori.
Per
garantire la stabilità del sistema elettrico è
richiesto un controllo del sistema di generazione ad elevate
prestazioni:Tale compito non è di facile realizzazione a
causa della complessità della centrale di bordo.Attualmete il
controllo è realizzato mediante:
PMS
(power
management system):
automazione di processo che stabilisce il numero di generatori in
servizio e ne comanda le operazioni di avviamento e messa in
parallelo:
SG (speed governors) regolatori real-time che eseguono il controllo della frequenza del singolo generatore
AVR (automatic voltage regulators) regolatori real-time che eseguono il controllo della tensione sul singolo generatore;l’Azione dei singoli AVR può essere coordinata da un Master AVR che effettua alcune regolazioni sulla tensione di sbarra.
La figura rappresenta il layout dell’impianto in MT dell’IPS di una tipica nave da crociera |
Dalla figura si nota che stante il diretto accoppiamento dei generatori alla sbarra, e quindi il loro funzionamento in parallelo, il sistema di regolazione di tensione costituisce un sistema MIMO (multiple input multiple output) , considerando come uscite le tensioni dei generatori,ovvero un sistema MISO (multiple input single output) se si considera come uscita la tensione di sbarra le condizioni di funzionamento variano in base al numero di generatori e carichi collegati:pertanto il sistema dovrebbe prevedere un certo grado di adattatività tanto maggiore se si considerano anche prescrizioni in termini di shore-connection che vigono in alcuni porti. Sulla base di vincoli ambientali è previsto che le navi spengano i propri motor termici e si colleghino alla rete terrestre tramite una pressa in MT: questa operazione di parallelo non deve provocare black-out a bordo né problemi di power quality alla rete terrestre. Pertanto è stato proposto l’impiego di un sistema di controllo integrato della tensione e della potenza reattiva di tutto l’insieme di generatori,al fine di controllare la stabilità della tensione e la qualità dell’energia nei sistemi elettrici di bordo ed assolvere alle funzioni aggiuntive descritte
Generazione di potenza a bordo
La generazione di e.e. a bordo nave può essere classificata in:propulsione diesel-elettrica, principale, di emergenza ed ausiliaria. I motori elettrici di propulsione rivestono un ruolo essenziale a bordo:le caratteristiche costruttive devono garantire l’assoluta affidabilità in esercizio nelle varie condizioni di coppia-velocità. I generatori ausiliari e di emergenza devono essenzialmente garantire il rapido avviamento di carichi gravosi,avere cioè ottime prestazioni nei transitori;ciò impone una messa a punto specialistica delle reattanze di macchina e dei regolatori di tensione. Un’altra applicazione caratteristica è quella dell’alternatore asse capace di funzionare anche come motore sincrono in caso di emergenza previo lancio al sincronismo a mezzo di un pony motor
Sistemi di conversione statica per la propulsione navale
Nelle navi moderne le funzioni richieste per la propulsione, la manovrabilità,la sicurezza , la navigazione ed il confort dell’equipaggio e dei passeggeri sono sempre di più svolte da apparati elettronici che richiedono l’impiego di convertitori statici per la loro alimentazione, e apparati elettrici, una parte dei quali sono rappresentati da azionamenti elettrici, costituiti da un motore elettrico e da un sistema di conversine statico. Questi sistemi sono assimilabili a quelli impiegati nell’ambito terrestre anche se richiedono un maggior grado di protezione dagli agenti esterni (ambiente marino).L’impiego dei sistemi di conversione statica presenta delle caratteristiche tecniche specifiche nelle cosiddette AES caratterizzate dalla presenza di un sistema di propulsione costituito da azionamenti elettrici che richiedono una elevata affidabilità e che sono di potenza tale da influenzare il funzionamento di tutto il sistema elettrico di bordo
La propulsione delle navi è sempre a due eliche e quindi è richiesta la presenza di due azionamenti di propulsione, la cui potenza nel caso delle navi da crociera ha valori tipici compresi da i 15 e 20 i azionamenti sono alimentati in MT a 6,6 kV oppure a 11
Azionamento con sincroconvertitore
Il sistema di propulsione probabilmente più utilizzato è l’azionamento con motore sincrono alimentato da un sincroconvertitore detto LCI (Load Coommutated Inverter). Questo è un convertitore ca/ca a tiristori costituito da un convertitore ca/dc lato linea, un collegamento in continua con induttanza di disaccoppiamento e un convertitore dc/ca lato motore: Nel modo di funzionamento normale (marcia avanti) il convertitore lato rete funziona da raddrizzatore a commutazione da linea mentre il convertitore lato motore funziona da invertitore a commutazione da carico.Nella figura che segue è riportato un azionamento con motore sincrono alimentato da sincroconvertitore con reazione in rete a 12 impulsi
Propulsione elettrica
La propulsione elettrica può essere fornita in diverse soluzioni:la cosiddetta Diesel Elettrica convenzionale,ovvero motore elettrico ed azionamenti collegati ad una linea d’asse convenzionale e la propulsione Azipod, costituita da un propulsore elettrico con motore sommerso che ruota a 360° dando alla nave grandi vantaggi di manovrabilità ed efficienza:Le potenze vanno da qualche MW ad oltre 20 MW per unità;le soluzioni di propulsione Diesel Elettrica sono studiate per tipo di nave. Le applicazioni riguardano tutti i tipi di navi mercantili e passeggeri, oltre a grandi yacht e alle applicazioni speciali quali per esempio guardia costiera e navi oceanografiche
La potenza richiesta dagli azionamenti di propulsione è ovviamente legata alla potenza assorbita dai motori per la movimentazione delle eliche:la coppia meccanica sviluppata dai motori sincroni è proporzionale al quadrato della velocità di rotazione, la potenza meccanica rislta proporzionale al cubo della velocità
Conclusioni
Accanto ai vantaggi offerti dalla propulsione elettrica sono state evidenziate alcune peculiarità da tener presente in fase di progettazione del sistema elettrico di bordo di una AES. Tali peculiarità nascono dal fatto che esiste una notevole diversità dei nuovi sistemi elettrici rispetto ai convenzionali: diversità funzionale perché da esso dipende la propulsione e diversità dei componenti,per la presenza di un gran numero di macchine elettriche,convertitori, sistemi di regolazione e livelli di tensione
Propulsione elettrica mediante AZIPOD ( AZImuthing POdded Drive)
Nei primi anni ’90 da Ditta svizzera Asea Brown Boveri (ABB) e la finlandese Kvaerner Masa Yards (KMY) hanno sviluppato insieme un nuovo e rivoluzionario sistema di propulsione elettrica denominato Azipod. Si tratta di un involucro a forma di ogiva di buone caratteristiche idrodinamiche che racchiude un motore elettrico a corrente alternata ed un corto albero che aziona un’elica, in genere a passo fisso, che può essere applicata su una o sull’altra delle due estremità dell’ogiva (vedi figura) : in alcuni casi sono previste due eliche applicate su entrambi i lati. Il gruppo è posizionato sotto lo scafo, in acqua. Grazie alla presenza di una ralla girevole (fig.14) esso ha la possibilità di ruotare di 360° interno al proprio asse verticale e,rispetto alla soluzione convenzionale che prevede il motore elettrico installato a bordo offre numerosi vantaggi.
|
Principio di funzionamento di un Azipod
|
| 1 motore elettrico 2 albero 3 elica a passo fisso 4 cuscino e tenuta 5 comando oleodinamico per la rotazione 6 ralla girevole 7 aria di raffreddamento 8 unità di ventilazione 9 lanterna 10 cuscino |
Innanzitutto si può utilizzare diversamente lo spazio a bordo altrimenti occupato dal motore elettrico dando nel contempo maggior libertà al progettista nel disegno della carena che comunque deve prevedere l’installazione del gruppo Azipod, ma la caratteristica più interessante è la grandissima manovrabilità anche a bassa velocità,quando il timone non è efficace, e con una sola elica conferita alla nave grazie alla possibilità che ha l’Azipod di ruotare di 180° in una quindicina di secondi. In tal modo si riduce drasticamente,anche del 30%, il raggio di virata il che è molto apprezzato nei bruschi cambiamenti di direzione che possono essere richiesti quando si procede, ad esempio, lungo un fiordo:si ha la massima controllabilità della nave quando questa procede a marcia indietro cosa difficile da ottenersi con i sistemi di propulsione e di manovra tradizionali e si riducono anche del 15 – 20% il tempo e lo spazio di arresto rispetto alla manovra che prevede di invertire il verso di rotazione dell’elica. Tutto ciò concorre ad aumentare la sicurezza della navigazione in particolare quando questa ha luogo in acque strette e trafficate o con mare avverso inoltre l’aumentata manovrabilità consente l’ingresso anche senza l’ausilio di rimorchiatori, in canali e porti poco spaziosi. Una curiosità: l’Azipod nacque proprio per agevolare la navigazione nelle acque ghiacchiate per lunghi periodi dell’anno della Finlandia

Propulsione
tradizionale e presenza del timone a sinistra; propulsione con
gruppo Azipod ed assenza del timone a destra
|
|
L’Azipod consente di eliminare il timone con conseguente incremento dell’efficienza idrodinamica e riduzione del consumo di combustibile oppure aumento della velocità della nave circa mezzo nodo a pari consumo: non sono necessarie neanche le eliche trasversali poppiere conferendo l’Azipod piena spinta in tutte le direzioni, con conseguente riduzione della potenza installata a bordo ed aumento anche in questo caso dell’efficienza idrodinamica. |
Anche per quanto riguarda i rumori e vibrazioni essi sono senz’altro più contenuti anche a velocità elevata essendo i motori immersi nell’acqua. Tra gli inconvenienti troviamo,però, l’accessibilità piuttosto problematica ed un costo maggiore di circa il 10% rispetto alla propulsione elettrica tradizionale

Alloggiamento di un gruppo Azipod sotto lo scafo di un rimorchiatore

Spaccato di un gruppo Azipod e modalità di rotazione

Spazi resi disponibili su una nave rompighiaccio quando dalla propulsione diesel elettrica convenzionale (in alto) si passa alla propulsione mediante gruppo Azipod ( in basso)
A seguito degli eccellenti risultati conseguiti dall’Azipod sulle navi da crociera questo sistema di propulsione è stato esteso a quasi tutte le navi sostituendo così il sistema diesel- meccanico con quello diesel – elettrico che prevedeva per ogni nave due gruppi Azipod, l’eliminazione a poppa del timone e delle eliche trasversali di manovra.
La disposizione dell’elica ad una delle estremità della capsula che ospita il motore elettrico può essere montata in modo da avere funzione traente oppure spingente. La prima viene utilizzata quando sono richieste alla nave velocità piuttosto elevate mentre la seconda configurazione è in genere da preferire per una spinta elevata e una bassa velocità (rimorchiatori ). I motori elettrici utilizzati sono i motori sincroni di dimensioni piuttosto contenute che consentono di realizzare capsule di dimensioni più contenute e con caratteristiche idrodinamiche migliori. La presenza di due eliche consente inoltre di ridurne il diametro e questo comporta un ulteriore riduzione del rumore e delle vibrazioni
Applicazioni della propulsione elettrica con gruppi sommersi
La propulsione elettrica con gruppi sommersi,rispetto a quella con motore elettrico a bordo è indicata per tutte le tipologie di navi che richiedono una maggiore manovrabilità,un maggior comfort grazie ad un più spinto contenimento di rumore e di vibrazioni ed una maggiore capacità di navigare in acque ghiacciate. Tutte le navi da crociera sono dotate di gruppi sommersi dovendo accedere con cadenza quasi giornaliera in porti differenti, spesso di difficile accesso e dotati di un servizio rimorchiatori poco soddisfacente. I gruppi sommersi vengono impiegati anche per i traghetti impiegati su rotte brevi Il motivo per il quale la propulsione elettrica con motore immerso è indicata per la navi rompighiaccio risiede nel fatto che quando si naviga in acque ghiacciate l’efficienza della propulsione migliora sensibilmente quando l’elica è installata sotto la prua della nave anziché a poppa. In tal modo il flusso di acqua spostata dall’elica lambendo la carena la libera dal ghiaccio ad essa aderente rendendo più agevole la navigazione


Installazione di un gruppo Azipod in aggiunta al motore principale di propulsione
La protezione catodica dello scafo e dell’elica
La corrosione elettrochimica del propulsore e dello scafo di una nave ha preoccupato,per il grave danno che esso arreca,i progettisti navali,i cantieri navali,gli ufficiali di coperta e macchine;i bacini nei quali vengono appunto effettuate talune operazioni relative alla sostituzione degli anodi di Zn nel sistema con anodi sacrificali e di taratura nel sistema a corrente impressa
La corrosione dei propulsori provoca la butteratura delle superfici delle pale (da non confondersi con l’erosione dovuta alla cavitazione) e quindi un abbassamento del rendimento del propulsore.Il continuo evolversi del fenomeno provoca squilibri al propulsore con vibrazioni allo scafo,usure irregolari alle boccole dell’astuccio portaelica, comparsa della cavitazione e relativa erosione della superficie palare. Appare evidente che il persistere di tale fenomeno mette fuori uso il propulsore e ne impone la sua sostituzione. L’aumento dei costi dei propulsori ha imposto lo studio della corrosione e la ricerca dei metodi per prevenirla. La stessa cosa vale non solo per lo scafo,ma anche per le cisterne delle navi petroliere adibite a zavorra segregata (S.B.T).
Appare quindi evidente l’importanza del problema e la ricerca di sistemi per la protezione catodica dello scafo,dell’elica, del timone e delle cisterne
Schema di protezione catodica per la corrosione elettrochimica del propulsore e dello scafo
.
Richiami di elettrochimica
Il fenomeno della corrosione dei propulsori navali e degli scafi è di natura elettrochimica .
Il potenziale elettrochimico di un elemento chimico immerso in una soluzione elettrolita di concentrazione C, ci è fornito dalla relazione
E = E0 + 0,059 T log 1
z C
Ove: E0 è il potenziale elettrochimico normale dell’elemento quando C = 1; T è la temperatura in °K cui si trova l’elettrodo; z è la valenza dell’elemento.
Se disponiamo di due elettrodi A e B immersi in una soluzione elettrolitica di concentrazione C, ognuno assume un potenziale elettrochimico EA ed EB. Se chiudiamo elettricamente il circuito unendo con un conduttore i due elettrodi,circolerà corrente per effetto della f.e.m ∆E = EA - EB dei due elettrodi fungerà da anodo quello che avrà il potenziale elettrochimico più negativo, mentre l’altro elettrodo fungerà da catodo:l’elettrodo che fungerà da anodo andrà in soluzione. La corrente nella soluzione elettrolitica circolerà per mezzo degli ioni,nel senso dall’anodo al catodo mentre nel conduttore (di prima classe) circolerà per effetto degli elettroni in senso opposto a quello in cui circola nella soluzione.
In conclusione tutte le volte che due corpi immersi in conduttore di seconda classe (elettrolita) nasce una f.e.m. e se chiudiamo il circuito collegando i due corpi (elettrodi) circolerà una corrente e quindi ci sarà corrosione a spese del corpo (elettrodo) che funzionerà da anodo, cioè di quello dei due che avrà il potenziale elettrochimico più negativo di quello che è meno nobile.
Il meccanismo della corrosione elettrochimica dello scafo
Nel nostro caso il propulsore di bronzo diversamente dallo scafo (acciaio)
è immerso nell’acqua di mare che è un conduttore di seconda classe (elettrolita).
Pertanto fra propulsore e scafo nasce una f.e.m.∆E che farà circolare corrente
dallo scafo verso il propulsore quando viene chiuso il circuito tra l’asse portaelica
e lo scafo. L’acciaio dello scafo fungerà da anodo, perché è meno nobile del bronzo
ed andrà in soluzione.
La corrosione elettrochimica si manifesterà con vaiolature sulle superfici
interessate al processo e ciò provocherà tutta una serie di piccoli fori che
indeboliscono lo scafo.
La verniciatura isola lo scafo e ne impedisce la corrosione di natura
elettrochimica. Questo tipo di corrosione è unico se il propulsore è fermo; se il
propulsore è in movimento nasce una corrosione elettrolitica aggiuntiva dovuta
al movimento di rotazione del propulsore.
Sistemi di prevenzione della corrosione elettrochimica nei propulsori navali
La
corrosione elettrochimica può essere eliminata con semplici ed
efficaci sistemi
elettrici che servono a neutralizzare il trasporto dei elettroni
dall’apice del mozzo
della pala, fornendo con una sorgente esterna una corrente opposta.
Una
sorgente naturale di corrente è disponibile su ogni
nave:infatti tra lo scafo
di
acciaio ed il propulsore di bronzo immersi nell’acqua di mare,
esiste una f.e.m.
di
alcune centinaia di mV, verificata disponendo un millivoltometro
collegando
il
positivo all’asse portaelica ed il negativo alla superficie
interna dello scafo.
L’asse
della portaelica è munito di un collettore ad anelli su cui
poggiano le
spazzole
di grafite collegate allo scafo con cavi elettrici di grossa sezione.
In tal modo
si realizza un buon collegamento elettrico che darà luogo ad
una d.d.p.tra
lo
scafo e l’asse tra 50 – 60 mV. Questo valore di tensione
non deve scendere al
di
sotto di questi valori per evitare che la corrosione prenda il
sopravvento ed è
pertanto
necessario che un millivoltometro sia continuamente collegato dando
anche
l’allarme quando la tensione scende sotto i valori prefissati.
Sistemi
di prevenzione della corrosione elettrochimica negli scafi e nel
propulsore
Per
impedire la corrosione elettrochimica dello scafo oltre alla
pitturazione si
aggiungono
anodi di zinco detti anodi sacrificali. Questi anodi andando in
soluzione faranno
circolare
elettroni verso la scafo, verso l’asse della portraelica e di
conseguenza
verso
il mozzo del propulsore. La sistemazione di questi anodi sacrificali,
mediante
saldatura
deve essere tale da non causare una maggiore erosione del propulsore
per
effetti
cavitazionali Periodicamente gli anodi vengono rinnovati a causa
della loro
corrosione.
Si usano,ad esclusione della navi che trasportano liquido
infiammabile
gli
anodi di magnesio o sue leghe, possedendo il magnesio un potenziale
elettrochimico
di gran lunga più negativo dello zinco. Bibliografia
essenziale AA.VV.
Rivista ufficiale dell’AEIT Marzo 2009 Rivista
ABB The Azipod Concept Renato
della Volpe - Impianti motori per la propulsione navale Corso
di aggiornamento Napoli febbraio 2003 Corradino
Ciampa – Servizi Ausiliari di bordo
Renato
della Volpe Impianti motori per la propulsione navale Liguori Editore